
上海中人专业提供ZR-3KW双馈风力发电机模拟试验台,是专业的教学设备生产厂家,我们欢迎您来我们生产基地考察ZR-3KW双馈风力发电机模拟试验台,并为您提供专业的解决方案。教学设备可以解决教师教学缺少平台,学生缺少实操经验的难题。ZR-3KW双馈风力发电机模拟试验台,是中人公司的品质效益保障教学产品。 文章内容中的图片为参考图片,仅供参考,以实物为准.
本文关键词:ZR-3KW双馈风力发电机模拟试验台1. 概述
3KW双馈式风力发电实验室模拟系统,是根据目前国际上风力发电行业应用较广泛的变速恒频双馈风力发电机组设计的模拟实验系统,该系统具有模拟变速恒频风力机组并网发电的功能及特性,为风电行业科研、教学提供最有力的帮助。

双馈发电实验系统参考图片
本系统采用异步变频拖动单元,宽范围模拟风力发电机运行转速,用户可根据需要调节拖动单元转速来达到模拟风速变化引起的发电机转速变化。通过开放式主控系统,用户可以根据自己的实验需求给定发电机转矩,通过变流系统控制双馈发电机的功率输出,达到变速恒频风力机组的并网发电等过程各参数的实验研究。
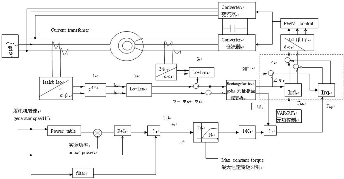
2.1系统结构示及原理


原理框图
◆系统分为拖动单元、控制单元、发电单元、测量单元。
◆拖动单元:模拟系统因风速变化而引起的转速变化
◆控制单元:分析系统状态,控制系统运行,实现数据模拟
◆并网发电单元:双馈发电机与并网变流器实现风机并网过程。
◆测量单元:系统各信号采集传输到主控系统中。
2.2系统功能
实现变速恒频风力机组发电状态的模拟,包括转速、转矩、发电量及有功、无功调节。
具体如下:
1)风力发电机接线形式实验
2)空载运转实验
3)并网过程实验(结合并网模块)
4)并网连续运行实验(结合并网模块)
5)风速模拟实验
6)转距模拟实验
7)发电功率模拟实验
8)其它相关发电性能及测量实验
9)脱网保护模拟实验
10)控制策略模拟实验等
2.3 系统主要模块参数及功能
绕线转子双馈异步发电机,与大型风电机组绕组结构模式相似。
执行普通工业标准的变频器,技术参数参照定货后实际产品,附带技术参数书。基本性能:额定功率:5.5kW ;响应速度:<300us
1.变频器:
变频器容量:5.5KW
输出电压:0-480V
输出频率:0-500HZ
2.驱动变频器
电机额定容量:5.5kVA
额定转速:1250r/min(因为电机为变频电机,较宽的转速范围仍然维持较好性能)
额定输出电压:380V
3.双馈三相异步风力发电机
额定转速 0-3000 r/min
额定功率 3.0kW
额定电压 380V
额定转速 1800rpm
转速范围 1000-2000rpm
定子电流 6.8A
转子电流 2.1A
转子开路电压 1086V
绝缘等级 F级
4.三相模拟负载柜
输入额定电压 0-500VAC
输入额定功率 10KVA
工作频率 45-65Hz
仪表电源 220±10%
5.电参数测量柜
测量电压 10-500VAC
测量电流 0.03-40A±1%
有功功率 1.0 <200W=1W <2000W=10W
频率 45-65Hz ±0.1Hz
测量转速 1-30000(r/m)
测量转距 100N.m
效率 99.9%
电机速度,位置编码器(增量式编码器),电流,电压传感器。随驱动器供货,具体按照定货实际参数
由拖动及励磁逆变电柜和主控电柜组成。项目交付时提供维护电路图。
底座的设计与系统设计过程中采用的具体器件有关,只有安装全部部件到位后才能最终确定结构尺寸及加工。
超速等故障保护系统,可以避免系统失控。
实验室提供3相5线380V交流电源,如果实验室有其它智能系统或易受干扰的计算机等系统,不能接受逆变电源回馈电网,以免影响电力系统正常工作.
试验台尺寸:平台尺寸长1800mm,宽750mm。,占地面积约2.5平方。